1 / 5


| Type | SC200/200 | ||
| Rated Load Capacity | 2t/2t | Construction height | 60m |
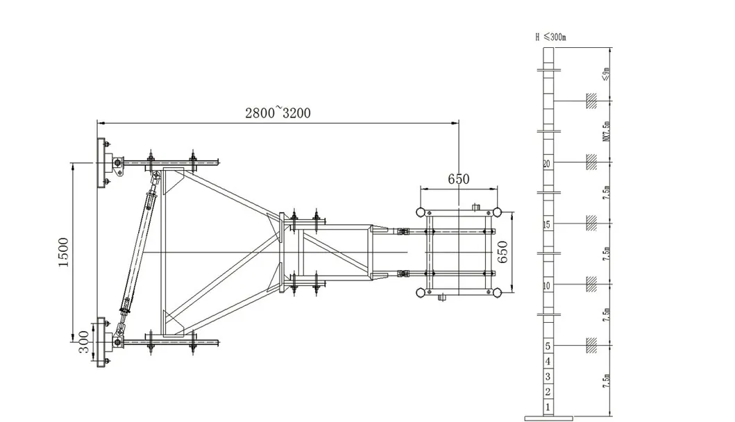
| Max Erection Height | ≤300m | Number of mast | 40 |
| Spacing of wall tie | ≤7.5m | Weight of mast | 160kg (76x6) |
| Height of free end | ≤9m | Mast size | 0.65m x 0.65m x 1.508m |
| Rated Hoisting Speed | 33m/min | 0~40m/min | Motor power | 2X3X11kw / 2X3X8.5kw |
| Hoisting Cage Size | 3.0m x 1.5m x 2.27m | Power supply | 380/440V, 50/60Hz |






