Gjj Construction Elevator 650 or 450 Mast Section Compatible with Ali Mak Mast Section

Customization: Available
After-sales Service: Yes
Warranty: 12 Month

Product Description

Technical Specifications Overview
Model No.
SC200/200
Load Capacity
1T - 2T (Double Cages 2X2000 Kgs)
Lifting Speed
Up to 100m/Min
Cage Size
3m * 1.5m * 2.2m
Mast Section Size
0.65m * 0.65m * 1.508m
Drive System
Electric Motor (3 Motors)
Safety Device
With Deceleration & SAJ4.0-1.2
Power Supply
380/440V, 50/60Hz
Premium Construction Elevator Features
Superior Manufacturing: All production lines adopt special fixtures, moulds, and gauges to ensure precise detail and sizing for every component.
High-Quality Components: Selection of raw materials from top-tier suppliers like China Bao Steel Group, with electrical components from Schneider or reputable global brands.
Advanced Safety Standards: Each unit undergoes factory testing including dropping tests, loading tests, and limit switch operations to ensure site-ready performance.
Robust Construction: Mast sections are welded by robots for reliable quality, processed with blasting technology for rust removal, and feature high-adhesion surface painting.
Mast Section Options
Mast Section Detail 1
Mast Section Detail 2
Mast Section Detail 3
Mast Section Detail 4
Main Hoist Specifications
Specification Model Lifting Capacity Lifting Speed Motor Power
Single Cage SC200 2000kg 33m/min 3x11kw / 3x8.5kw
Double Cages SC200/200 2x2000kg 33m/min 2x(3x11kw) / 2x(3x8.5kw)
VFD Type (Low) SC200D 2000kg 0-40m/min 3x11kw / 3x8.5kw
VFD Type (Mid) SC200Z 2000kg 0-60m/min 2x23kw
Cage & Interior Details
Cage Structure
Main Specs View
Internal Components
Drive System View
Manufacturing Excellence
Welding Detail
Workshop View
Material Processing
Package and Global Projects

Our construction elevators have been successfully exported to over 40 countries including Saudi Arabia, UAE, Kuwait, Qatar, Russia, and Southeast Asia. We prioritize professional packaging to protect products from rust and damage during transit.

Shipping Package 1
Shipping Package 2
Project Site View
Frequently Asked Questions
What are the standard sizes for the mast sections?
We provide multiple mast section options including 650*650*1508MM, 650*450*1508MM, and 450*450*1508MM to suit different construction requirements.
What safety mechanisms are included in the hoist?
The hoist is equipped with a complete set of overload protection devices, variety of limiters, mechanical chain devices, and SAJ40-1.2 anti-falling safety devices.
Can the lifting speed be customized?
Yes, we offer frequency conversion (VFD) models with speeds ranging from 0-40m/min, 0-60m/min, up to a maximum of 100m/min.
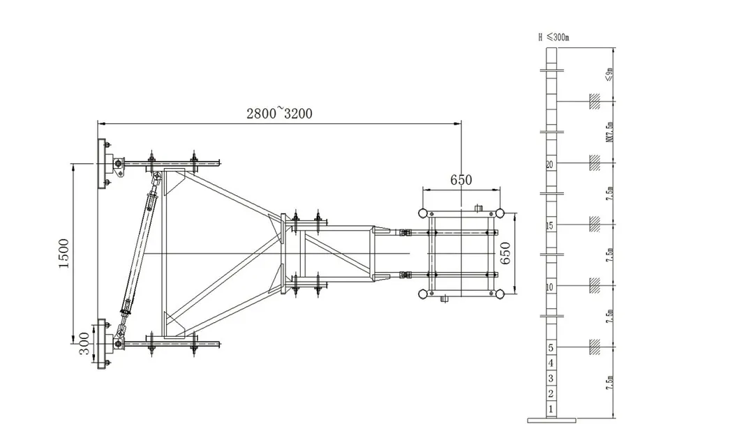
What is the maximum erection height of the SC200/200 model?
The standard SC200/200 model can support a maximum erection height of up to 300 meters, with specialized OEM models reaching up to 400 meters.
What materials are used for the cage guarding board?
The suspension cage guarding board adopts figured aluminum plate and numerical control punched aluminum plate, ensuring it is lightweight, durable, and artistic.
What information is required for a detailed quotation?
Please provide the lift height (m), load capacity (ton), choice between single or double cage, mast coat preference (painting or galvanized), and your local power supply (V, Hz).

Related Products